All Articles
What is a Rolodex? (plus 6 modern contact storage alternatives)

What is a Rolodex? (plus 6 modern contact storage alternatives)

7
min read
Overview:
Overview:

In today’s digitally savvy world, keeping your contacts close and your communication game strong is the key to success. Traditional communication tools like the Rolodex have been modernized to be more technologically advanced and user-friendly. 

Let’s take a look at the once-popular Rolodex and its digital counterparts that are now available to help you keep important contact information at your fingertips. 

<div class="anchor-wrapper"><div id="what-is-a-rolodex" class="anchor-target"></div></div>

What is a Rolodex?

A Rolodex is an organizational tool used to store contact information. Like Kleenex or Ziploc, Rolodex is a brand name that has become synonymous with a specific item, and that item is a rotary card file. 

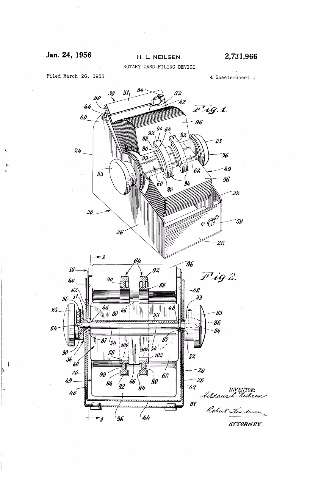
a sketch of a rolodex rotary card-filing device from the original patent by hildaur neilsen

Image source: Google patents

The Rolodex, originally coined as the "Rotary card-filing device," was invented by Danish engineer Hildaur Neilsen. The device was patented in 1956 and was an improvement to the Wheeldex, which had a similar functionality.

The tool consists of a cylindrical base with an axle. Individual — often handwritten — removable cards are attached to the axle and arranged in a method that makes sense to the user, such as alphabetically or categorically. Cards typically contain standard contact information, like name, phone number, and address. Users would flip through a Rolodex by rotating the base to access the contact card they need. 

<div class="anchor-wrapper"><div id="the-modern-day-rolodex" class="anchor-target"></div></div>

The modern-day Rolodex

The Rolodex was commonly found in offices and businesses from the 1950s to the 1980s. You can still find Rolodexes available for sale online, but most individuals and organizations have transitioned to an electronic contact list or a digital Rolodex for their contact information. 

The digitalization of contact management allows people to manage their contacts electronically using smartphones, computers, and contact management software — although there are still some classic digital Rolodexes out there. 

These updated contact storage solutions offer greater flexibility, accessibility, and functionality compared to the traditional Rolodex. You don’t have to be sitting in your office to retrieve contact information; you can just pull it up on your phone or computer, no matter where you are.

Electronic Rolodex solutions are also ideal for businesses where collaboration is key and multiple employees work with the same client. Digital contact management means that everyone involved can have access to the same critical business contact information. 

<div class="anchor-wrapper"><div id="rolodex-replacement-apps" class="anchor-target"></div></div>

Rolodex replacement apps

So, it’s out with traditional Rolodexes and in with digital Rolodex apps of sorts. Lucky for all of us, there are dozens of solutions on the market that can safely store contacts across multiple devices. Here are just a few you can choose from.

1. Streak

Zight 2024-03-07 at 12.58.22 PM

Streak, a CRM for Gmail, stores contact information for each individual in a detailed contact page that includes all the basics about them: their name, email address, phone number, company or organization, social media accounts, and additional notes. 

If you use Streak, you can easily import your contacts from a spreadsheet or CSV file, or you can create a new contact page after interacting with someone via Gmail. Streak auto-enriches contacts with publicly available data, such as a LinkedIn page or company address, to save you the time it’d take to fill in that extra information. 

You can also easily share contacts or email threads with your teammates using Streak Share. This feature makes it so all relevant contacts appear in not just your own pipeline, but your team’s pipelines, too, so you can see your entire team’s interactions with a specific contact or others at their company. 

Streak also closely tracks your sent emails to make sure you always know when a contact opens your email. Plus, Streak is compatible with iOS and Android devices, enabling you to access contact information from really any device. (You can try it for free if you’re interested!)

2. Google Contacts

Google Contacts is a free contact management app where you can store contacts and access them from your Google account across Gmail, Google Calendar, and Google’s other services. The platform allows you to organize your contacts using labels and groups for easy management. To learn more about Google Contacts, here’s your next stop.

3. Apple Contacts

Also known as Address Book, Apple Contacts is the default contact management app on iOS devices (like iPhones, iPads, Apple Watches, and Mac computers). People use it to manage and store basic information about each of their contacts and access it from any Apple device via iCloud.

4. Contacts+

Using Contacts+, Android users can organize and sync contact information across multiple platforms and devices. It includes a built-in messaging feature so users can call, text, email, or connect with their contacts on social media directly from the app. 

The software also offers a built-in business card scanner that captures information from physical business cards and automatically turns what’s on them into digital contacts, eliminating the need for manual data entry. After a 14-day free trial, you will need to choose a paid plan if you want to continue using the app.

5. HubSpot CRM

This free CRM platform allows you to store your contacts and track interactions. Hubspot CRM is free forever, but accessing extra features does require a paid plan. The company recommends the software for small businesses looking to scale. One unique feature of Hubspot CRM is a lead tracking functionality, which assigns scores to contacts based on their behavior and engagement with your business, assisting your sales team in prioritizing leads. 

6. Zoho Contacts

Zoho Contacts is a part of the Zoho suite of business tools, so this solution is ideal for people using other Zoho products or services like its CRM or email hosting. Along with the basic contact information, Zoho offers segmentation and filtering capabilities to group your contacts based on criteria such as location, industry, engagement level, or other attributes you specify. 

<div class="anchor-wrapper"><div id="how-to-make-your-own-virtual-rolodex" class="anchor-target"></div></div>

How to make your own virtual Rolodex

If you’re looking for a solution to keep your contact information organized, there are several options to virtually DIY an online Rolodex.

1. Build a Rolodex template in Notion

The fan-favorite productivity tool, Notion, offers a free Personal Rolodex template you can duplicate and make your own. The fun thing about this option is that it’s completely editable depending on what your needs are — you can add people to any category you’d like. The option to create tags makes it simple to group similar contacts together.

screenshot of Rolodex template in Notion

2. Create a Rolodex in a spreadsheet tool

Create a spreadsheet on Google Sheets or Microsoft Excel to collect and store relevant contacts in a structured, visually appealing format. This method may be especially helpful for people who appreciate having visual access to all of their contacts in one place. If you have a large number of contacts or want to categorize people into different groups, you may consider using multiple sheets or tabs within the spreadsheet to keep the data organized.

3. Scan business cards

Business cards may be a more traditional method of networking, but you can make the most of them by using modern methods to store them. Scan cards after you receive them and organize your collection digitally. Some apps or software may allow you to add the image to each contact’s listing. 

We’re biased, but Streak is a great, free place to start

You can compound the usefulness of a digital Rolodex by choosing a method that makes your contact management struggles a thing of the past. Once you import your contacts into Streak, you have the advantage of quickly accessing all of your contact information and leveraging a CRM that empowers you to track all of your interactions with each contact.

It’s time to make your contact information work better for your business. 

Try Streak for free today. It only takes 30 seconds to get started.

We're hiring

Come build something great with us.